USB-Барометр, USB-Altimeter
Электронный барометр выполнен в формате USB устройства. Позволяет получить показания барометра, термометра, альтиметра (высотометра), вариометра (скороподъемность). Показания выводятся 10 раз в секунду.

Шаг измеряемых величин
- Давление - 1 паскаль;
- Температура - 0,1 oC;
- Высота - 0,1 м;
- Скороподъемность - 0,1 м/с
- Скороподъемность, усредненная за 1 сек. - 0,1 м/с
Установка драйверов
Подключение терминала
Запускаем программу HyperTerminal.
Примечание: До Windows XP включительно эта программа входила в Windows как стандартная. В последних версиях Windows эта программа отсутствует. Потребуется установить программу - терминал сторонних разработчиков, например PuTTY.
Нажимаем кнопку OK, и если все сделали правильно, увидим поток данных:
Формат вывода данных
Сразу после подключения USB-Altimeter выводит в порт данные с частотой 10 раз в секунду. Через терминал USB-Altimeter-у можно отправлять команды управления.Для этого сразу нужно остановить вывод данных командой ATSTOP.
Команды USB-Altimeter
ATSTOP
ATT=F
ATA=F
ATSTART
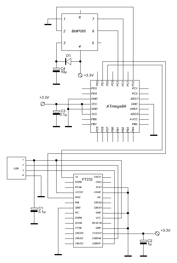
Схема USB-Барометра
Печатная плата USB-Барометра
Скачать схему, плату, прошивку.
Cм. так же:
Tags
bme280 bmp280 gps mpu-6050 options stm32 ssd1331 ssd1306 eb-500 3d-printer soldering tim mpu-9250 dma watchdog piezo exti web raspberry-pi docker ngnix solar bluetooth foc html css brushless flask dc-dc capture gpio avr rs-232 mpx4115a atmega mongodb st-link barometer pwm nvic git java-script programmator dht11 hih-4000 pmsm encoder max1674 smd sensors rtc adc lcd motor timer meteo examples i2c usb flash sms rfid python esp8266 servo books bldc remap eeprom bkp battery ethernet uart usart displays led websocket nodemcu wifi
Архіви