Тег: bldc - сторінка 4
« ‹ 2 3
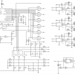
Схема регулятора скорости бесколлекторного двигателя (ESC)
Схема условно разделена на две части: левая - микроконтроллер с логикой, правая - силовая часть. Силовую часть можно модифицировать для работы с двигателями другой мощности или с другим питающим напряжением.
Контроллер - ATMEGA168. Гурманы могут сказать, что хватило бы и ATMEGA88, а AT90PWM3 - это было бы "вааще по феншую". Первый регулятор я как раз делал "по феншую". Если у Вас есть возможность применять AT90PWM3 - это будет наиболее подходящий выбор. Но для моих задумок решительно не хватало 8 килобайт памяти. Поэтому я применил микроконтроллер ATMEGA168.
Эта схема задумывалась как испытательный стенд. На котором предполагалось создать универсальный настраиваемый регулятор для работы с различными "калибрами" бесколлекторных двигателей: как с датчиками, так и без датчиков положения. В этой статье я опишу схему и принцип работы прошивки регулятора для управления бесколлекторными двигателями с датчиками Холла и без датчиков.
Структура регулятора скорости бесколлекторного двигателя (ESC)
Перед тем, как приступить непосредственно к разработке схемы регулятора, составим его блок-схему. Это упростит последующий выбор элементной базы.
Регулятор скорости бесколлекторного двигателя (ESC - Electronic Speed Controller) иногда называют контроллер бесколлекторного двигателя или привод бесколлекторного двигателя.
Условно разделим регулятор на следующие модули: Модуль контроллера - принимает задающие сигналы, сигналы датчиков, выдает управляющие сигналы на ключи Модуль силовых ключей - управляет силовыми ключами Модуль датчиков - совокупность различных датчиков и схем согласования.
Определение положения ротора в остановленном состоянии двигателя
В этой статье предлагается решение для определения положения ротора для большинства типов бесколлекторных двигателей постоянного тока с постоянными магнитами.
За основу этой статьи взята статья Sensorless Detection of Rotor Position of PMBL Motor at Stand Still Авторы: Roustiam Chakirov, Yuriy Vagapov, and Andreas Gaede
Я позволил себе ее вольно перевести с некоторыми упрощениями и дополнениями, добавив в конце пример реализации и небольшой видеоотчет полученных результатов.
Этот метод обеспечивает надежный и быстрый запуск бесколлекторного двигателя, не зависит от применения датчиков и пригоден для разных схем управления. Метод основан на обнаружении нелинейностей в обмотках статора двигателя при различных положениях постоянных магнитов ротора (имеется ввиду пока мотор не вращается). Описанное решение предполагает включение обмоток статора по схеме звезда.
Запуск бездатчикового бесколлекторного двигателя (Sensorless BLDC)
В предыдущей статье(Управление бездатчиковыми бесколлекторными двигателями (Sensorless BLDC) мы рассмотрели алгоритм коммутаций для бесколлекторного бездатчикового двигателя постоянного тока при вращающемся роторе. Сегодня рассмотрим простой способ запуска бесколлекторного бездатчикового двигателя.
Управление бездатчиковыми бесколлекторными двигателями (Sensorless BLDC)
Существуют бесколлекторный двигатели без каких либо датчиков положения или энкодеров. В таких двигателях определение положения ротора выполняется путем измерения ЭДС на свободной фазе. Мы помним, что в каждый момент времени к одной из фаз подключен "+" к другой "-" питания, одна из фаз остается свободной. Вращаясь, двигатель наводит ЭДС в свободной обмотке. По мере вращения напряжение на свободной фазе изменяется. Измеряя напряжение на свободной фазе, можно определить момент переключения к следующему положению ротора. Обычно определяют момент перехода напряжения на свободной фазе через нулевую точку (половину питающего напряжения). Т.е. нужно отследить момент, когда напряжение на свободной фазе сравняется со средней точкой. Разумеется, для работы этого метода двигатель должен вращаться. Этот метод хорошо работает при сравнительно высоких оборотах двигателя. При низких оборотах наводимая ЭДС может оказаться недостаточной для четкого определения положения ротора. Тем не менее, этот метод применяется. Один из методов определения положения ротора при невращающемся двигателе будет рассмотрен в следующей статье. Способы запуска беcколлекторного бездатчикового двигателя также будут рассматриваться в следующей статье.
Управление бесколлекторным двигателем с датчиками Холла (Sensored brushless motors)
Мы уже ознакомились с устройством бесколлекторного двигателя и теперь разберемся, как ним управлять.
Бесколлекторные двигатели постоянного тока. Устройство бесколлекторного двигателя.
Общее устройство (Inrunner, Outrunner)
Бесколлекторный двигатель постоянного тока состоит из ротора с постоянными магнитами и статора с обмотками. Различают два типа двигателей: Inrunner, у которых магниты ротора находятся внутри статора с обмотками, и Outrunner, у которых магниты расположены снаружи и вращаются вокруг неподвижного статора с обмотками.
Бесколлекторные двигатели постоянного тока. Что это такое?
Этой статьёй я начинаю цикл публикаций о бесколлекторных двигателях постоянного тока. Доступным языком опишу общие сведения, устройство, алгоритмы управления бесколлекторным двигателем. Будут рассмотрены разные типы двигателей, приведены примеры подбора параметров регуляторов. Опишу устройство и алгоритм работы регулятора, методику выбора силовых ключей и основных параметров регулятора. Логическим завершением публикаций будет схема регулятора.
Бесколлекторные двигатели получили широкое распространение благодаря развитию электроники и, в том числе, благодаря появлению недорогих силовых транзисторных ключей. Также немаловажную роль сыграло появление мощных неодимовых магнитов.
Однако не стоит считать бесколлекторный двигатель новинкой. Идея бесколлекторного двигателя появилась на заре электричества. Но, в силу неготовности технологий, ждала своего времени до 1962 года, когда появился первый коммерческий бесколлекторный двигатель постоянного тока. Т.е. уже более полувека существуют различные серийные реализации этого типа электропривода!
IR2101 рабочая схема включения драйвера MOSFET ключей
Драйвер MOSFET ключей IR2101 имеет свойство иногда выходить со строя, по попросту говоря, гореть. Типовая схема включения, предложенная в документации IR2101, не обеспечила надежной работы этой микросхемы. По крайней мере в моем случае.
Типовая схема включения IR2101
Эмпирическим путем, уничтожив несколько микросхем, схема была доведена до рабочего состояния.
« ‹ 2 3
Tags
bme280 bmp280 gps mpu-6050 options stm32 ssd1331 ssd1306 eb-500 3d-printer soldering tim mpu-9250 dma watchdog piezo exti web raspberry-pi docker ngnix solar bluetooth foc html css brushless flask dc-dc capture gpio avr rs-232 mpx4115a atmega mongodb st-link barometer pwm nvic git java-script programmator dht11 hih-4000 pmsm encoder max1674 smd sensors rtc adc lcd motor timer meteo examples i2c usb flash sms rfid python esp8266 servo books bldc remap eeprom bkp battery ethernet uart usart displays led websocket nodemcu wifi
Архіви

