RFID Reader + ATMEGA + Raspberry Pi
У мене в розпорядженні з’явилися три різних RFID рідера:
- настільний з інтерфейсом USB (125 КГц). Підтримує EM4001, EM4100, EM4200, TK4100;
- ZNR-A26ID - для монтажу на стіну з інтерфейсом WG26 (125 КГц) ;
- RFID-RC522 - окрема плата на базі мікросхеми MFRC522 з інтерфейсом SPI (13,56 МГц);
Останній цікавий тим, що дозволяє читати і писати на картку.
Настільний RFID reader з інтерфейсом USB
Підключаємо рідер з USB інтерфейсом до комп’ютера з Windows. Windows бачить нове обладнання і сама встановлює драйвер. RFID USB-рідер сприймається Windows як HID-прилад. Тобто, як аналог клавіатури. Відкриваємо Notepad, підносимо картку до рідера. Коли картка зчитується, рідер пищить, блимає зеленим світлом, а у вікні Notepad, або будь-якого поля для вводу з’являється номер картки. Тобто, рідер повністю симулює введення номера картки з клавіатури. Більше нічого рідер не вміє. Нічого складного, нічого цікавого.
RFID reader для монтажу на стіну з інтерфейсом WG26
Такий рідер є стандартним приладом для монтування на стіну і контролю доступу у приміщення. Він герметичний, назовні виходить 6 дротів:
Червоний (Red) - VCC +8..15V
Чорний (Black) - GND
Зелений (Green) - Data0
Білий (White :) ) - Data1
Сірий (Gray) - BEEP
Пурпурний (Purple) - невідомо, мабуть LED.
Живлення рідера 8..15В < 100mA, але сигнали Data0, Data1 рівню 5 В.
Передача даних виконується по протоколу протокол WG26
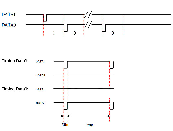
Протокол WG26
Це двопровідний протокол, у якому "0" передаються по одній лінії Data0, а "1" по другій - Data1. Рівень сигналів Data0, Data1 близький до 5В. Падіння сигналу до 0 на одній з ліній означає передачу одного біта. Якщо 0 на Data0 - це 0, якщо 0 на Data1 - це 1. Взагалі, передається 26 біт, тому протокол і називається WG26. Аналогічно працює протокол WG32. Діаграма роботи протоколу:
Структура даних:
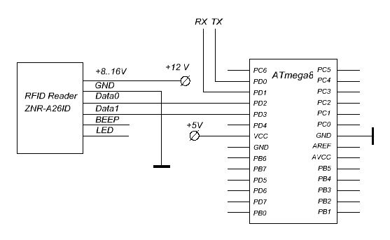
Підключаємо RFID reader з інтерфейсом WG26 до мікроконтролера ATMEGA
Підключаємо Data0 до INT0, Data1 до INT1. Для зчитування будемо використовувати переривання по спаду. Данні про зчитування відправляються по UART. Схема:
Програма для мікроконтролера:
#include <stdio.h>
#include <avr/interrupt.h>
#include "uart.h"
#define RXUBRR (F_CPU/16/9600)-1
#define BUFFER_SIZE 11
char buffer[BUFFER_SIZE];
unsigned long int card_code = 0;
char bit_count=0;
void convert_to_decimal(char* dst, unsigned long src)
{
int i;
for (i = 0; i < 10; i ++)
{
dst[9 - i] = '0' + (int)(src % 10);
src /= 10;
}
dst[10] = 0;
}
ISR(INT0_vect) {
card_code = card_code << 1;
bit_count++;
}
ISR(INT1_vect) {
card_code = card_code << 1;
card_code = card_code | 0x01;
bit_count++;
}
int main( void )
{
uart_init(RXUBRR);
MCUCR |= (1<<ISC01); // INT0 (falling edge)
MCUCR |= (1<<ISC11); // INT1 (falling edge)
GICR = ((1<<INT0)|(1<<INT1)); // Enable INT0, INT1
sei();
uart_puts("Started\r\n");
while(1) {
if (bit_count == 26) {
card_code = card_code >> 1;
card_code = card_code & 0x00ffffff;
uart_puts("Card number: ");
convert_to_decimal(buffer, card_code);
uart_puts(buffer);
uart_puts("\r\n");
card_code=0;
bit_count=0;
}
}
}
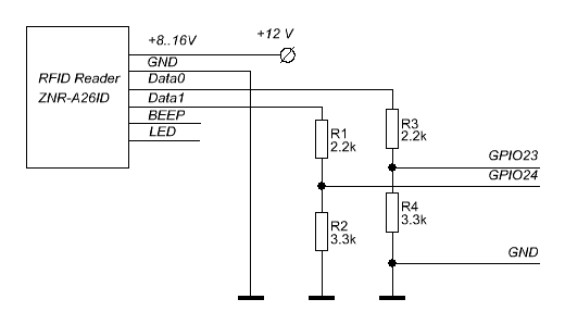
Підключаємо RFID reader з інтерфейсом WG26 до Raspberry PI
Raspberry Pi не може працювати з рівнем вхідних сигналів 5В. Кажуть, що це може вивести Raspberry Pі з ладу. Я не перевіряв. Тому я використав просту схему для узгодження рівню сигналів. Схема підключення:Приклад для считування на Python:
import RPi.GPIO as GPIO
_DATA0PIN = 23
_DATA1PIN = 24
GPIO.setmode(GPIO.BCM)
GPIO.setup(_DATA0PIN , GPIO.IN, pull_up_down=GPIO.PUD_UP)
GPIO.setup(_DATA1PIN , GPIO.IN, pull_up_down=GPIO.PUD_UP)
cardnumber = 0
bit_count = 0
for x in range(0, 26):
data0 = GPIO.input(_DATA0PIN )
data1 = GPIO.input(_DATA1PIN )
while ( (data0 == 1) and (data1 == 1) ):
data0 = GPIO.input(_DATA0PIN )
data1 = GPIO.input(_DATA1PIN )
cardnumber = cardnumber << 1
if data1 == 1:
cardnumber = cardnumber | 0x01
bit_count = bit_count + 1
while ( (data0 == 0) or (data1 == 0) ):
data0 = GPIO.input(_DATA0PIN )
data1 = GPIO.input(_DATA1PIN )
cardnumber = cardnumber >> 1
cardnumber = cardnumber & 0x00ffffff
print cardnumber
У цих прикладах не використовуються MSB та LSB біти. Якщо у Вас буде така потреба, Ви можете допрацювати цей код.
Плата RFID reader на базі мікросхеми MFRC522 з інтерфейсом SPI
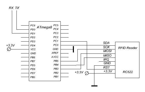
Цей зчитувач досить популярний і цікавий тим, що використовує найбільш популярну робочу частоту 13,56 МГц. До того ж має дуже широкий функціонал, який дозволяє реалізувати різні задачі у яких задіяні можливості запису та зчитування інформації з картки. Якщо уважно почитати документацію до мікросхеми MFRC522, на якій базується ця плата, стане ясно, що можливості мікросхеми дуже широкі. Скачати документацію до мікросхеми MFRC522.Підключаємо RFID reader MFRC522 до мікроконтролера ATMEGA
| RFID-RC522 | Atmega8 |
| SDA | PC0 |
| SCK | SCK |
| MOSI | MOSI |
| MISO | MISO |
| IRQ | NONE |
| GND | GND |
| RST | PC1 |
| 3.3V | 3.3V |
#include <stdio.h>
#include <util/delay.h>
#include "uart.h"
#include "MFRC522.h"
#define RXUBRR (F_CPU/16/9600)-1
#define BUFFER_SIZE 2
char buffer[BUFFER_SIZE];
int main( void )
{
uchar card_num[5];
uchar i;
sei();
uart_init(RXUBRR);
MFRC522_Init();
uart_puts("RC522 started\r\n");
while(1) {
_delay_ms(500);
if ( MFRC522_Request( PICC_REQIDL, card_num ) == MI_OK ) {
if ( MFRC522_Anticoll( card_num ) == MI_OK ) {
uart_puts("Card number:\r\n");
for (i = 0; i < 5; i++ ) {
sprintf(buffer, "%x ", card_num[i]);
uart_puts(buffer);
}
uart_puts("\r\n");
}
}
}
}
Підключаємо RFID reader MFRC522 до Rasperry PI
Схема підключення така:| Name | Pin # | Pin name |
| SDA | 24 | GPIO8 |
| SCK | 23 | GPIO11 |
| MOSI | 19 | GPIO10 |
| MISO | 21 | GPIO9 |
| IRQ | None | None |
| GND | Any | Any Ground |
| RST | 22 | GPIO25 |
| 3.3V | 1 | 3V3 |
Перевіряємо файл /etc/modprobe.d/raspi-blacklist.conf
Рядка, що стосується spi, повинно бути заремлено. Приклад файлу /etc/modprobe.d/raspi-blacklist.conf:
#blacklist spi-bcm2708
blacklist i2c-bcm2708
Обновляємо систему:
apt-get update
Встановлюємо python-dev:
apt-get install python-dev
git clone https://github.com/lthiery/SPI-Py
cd SPI-Py
sudo python setup.py install
cd ..
Встановлюємо MFRC522-python:
git clone https://github.com/mxgxw/MFRC522-python
Запускаємо приклад:
cd MFRC522-python
python Read.py
Підносимо картку і радіємо! Там же Ви знайдете скрипта Write.py, який демонструє запис і зчитування даних з картки. Успіхів.
Читайте початок: RFID. Що це таке?
Tags
bme280 bmp280 gps mpu-6050 options stm32 ssd1331 ssd1306 eb-500 3d-printer soldering tim mpu-9250 dma watchdog piezo exti web raspberry-pi docker ngnix solar bluetooth foc html css brushless flask dc-dc capture gpio avr rs-232 mpx4115a atmega mongodb st-link barometer pwm nvic git java-script programmator dht11 hih-4000 pmsm encoder max1674 smd sensors rtc adc lcd motor timer meteo examples i2c usb flash sms rfid python esp8266 servo books bldc remap eeprom bkp battery ethernet uart usart displays led websocket nodemcu wifi
Архіви




