NCP1400A - Step-UP стабілізатор напруги
Я вже писав про Step-UP регулятори напруг MAX1674. Сьогодні мова піде про NCP1400A. NCP1400A має значно меншу ціну і виконує ті ж самі функції Step-Up регулятора напруги, але має нижчий ККД. Частота перетворення фіксована - 180 кГц. Документація на NCP1400A обіцяє запуск від напруги 0.8 В і роботу при напрузі 0,2 В. NCP1400A розрахована на максимальний струм 150 мА.
Для кожної напруги випускаються окремі моделі NCP1400A. Напруга, яку забезпечує та чи інша модель, зазначена у назві моделі. Наприклад:
NCP1400ASN19 - 1.9В NCP1400ASN22 - 2.2В NCP1400ASN25 - 2.5В NCP1400ASN27 - 2.7В NCP1400ASN30 - 3.0В NCP1400ASN33 - 3.3В NCP1400ASN38 - 3.8В NCP1400ASN45 - 4.5В NCP1400ASN50 - 5.0В
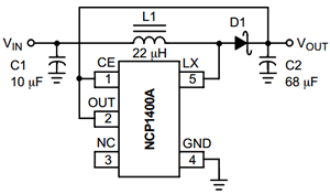
Схема включення NCP1400A дуже проста:
Я використовую: Дросель - CDRH6D28NP-220NC Конденсатори - танталові Діод Шотткі - MBR0520LT1
Якщо подивитися на схему, зі входу до виходу лежить пряма "дорога". Напруга зі входу через дросель та діод Шотткі потрапляє на вихід. В документації зазначена максимальна напруга 6.0 В, але це не означає, що якщо подати на вхід 6.0 В на виході буде 3.3 В (для NCP1400ASN33). Якщо на вхід подати, наприклад, 3.7 В - на виході буде приблизно 3.5 В. Тобто, цю схему можна використовувати виключно для підвищення напруги.
Якщо вам знадобиться стабілізувати напругу до 3.3 В від літійового акумулятора, то прийдеться пошукати інше рішення. Тому що напруга літійового акумулятора 2.7...4.2 В. Тобто, при повному заряді акумулятора на виході ви отримаєте 4.0 В, що перевищує допустиму напругу, скажімо, для STM8L. Тому на це треба звернути увагу. Доречі, з цією задачею досить гарно справляється саме MAX1674. Але вона стала занадто дорогою.
NCP1400A досить гарно справляється зі своєю задачею та при цьому у рази дешевша. Я використовую NCP1400ASN33 у приладах з живленням від батарейок. Реальна стабільна робота NCP1400ASN33 при напрузі 1.1 В від звичайної алкалайнової батарейки формфактору AAA. Нижче просто не витягує батарейка по струму і напруга на виході помітно просідає.
Порівняння деяких параметрів
| MAX1674 | NCP1400A | |
| Supply Voltage | -0.3V to +6.0V | -0.3V to +6.0V |
| Battery Voltage | -0.3V to +6.0V | -0.3V to +6.0V |
| Output Current | 0.5A | 0.1A |
| Start-up is guaranteed from | 1.1V | 0.8V |
| VOUT | can be set from 2V to 5.5V | 1.9V to 5.0V (кожна модель на фіксовану напругу) |
| Ціна, $ | 3,4 | 0,5 |
| ККД, % | 94 | 80 |
Успіхів.
Дукую за наводку) Теж свого часу мав справу з мах1674. Хороша штука. В неї, до речі, є менша сестра - MAX1678. При нагоді якось купив пару штук, все ніяк руки не дойдуть. Але теж треба дивитись скільки вона коштує на даний момент.
Tags
bme280 bmp280 gps mpu-6050 options stm32 ssd1331 ssd1306 eb-500 3d-printer soldering tim mpu-9250 dma watchdog piezo exti web raspberry-pi docker ngnix solar bluetooth foc html css brushless flask dc-dc capture gpio avr rs-232 mpx4115a atmega mongodb st-link barometer pwm nvic git java-script programmator dht11 hih-4000 pmsm encoder max1674 smd sensors rtc adc lcd motor timer meteo examples i2c usb flash sms rfid python esp8266 servo books bldc remap eeprom bkp battery ethernet uart usart displays led websocket nodemcu wifi
Архіви
