Конструктор регуляторів PMSM, BLDC двигунів
Проєкт створено з метою прискорення проєктування і зменшення витрат на проєктування контролерів для потужних синхронних двигунів з постійними магнітами (BLDC, PMSM).
Розробка не комерційна, робилася виключно для задоволення власних потреб і забаганок.
Проєкт розділений на окремі модулі (куплені і виготовлені власноруч), завдяки чому можна швидко змінювати конфігурацію регулятора за допомогою викрутки і гайкового ключа.
Окремі модулі легко замінюються іншими, і для цього не потрібно переробляти всю схему.
Повний комплект модулів дорогий і мало цікавий, але деякі окремі модулі і їх схеми комусь можуть бути корисні.
Через війну роботу над проєктом тимчасово призупинено. Ця сторінка відображає поточний стан проєкту і буде періодично оновлюватися.
Основні параметри
- Модулі драйверів, датчиків струму, ізольовані схеми передачі аналогових сигналів мають ізольовані блоки живлення
- Драйвери MOSFET та IGBT розраховані на максимальний струм 16А
- Датчик струму 220А. Ізольований, можна використовувати як в фазах мотора, так і в нижніх плечах напів-мостів
- Базове живлення однакове для всіх модулів: 12В
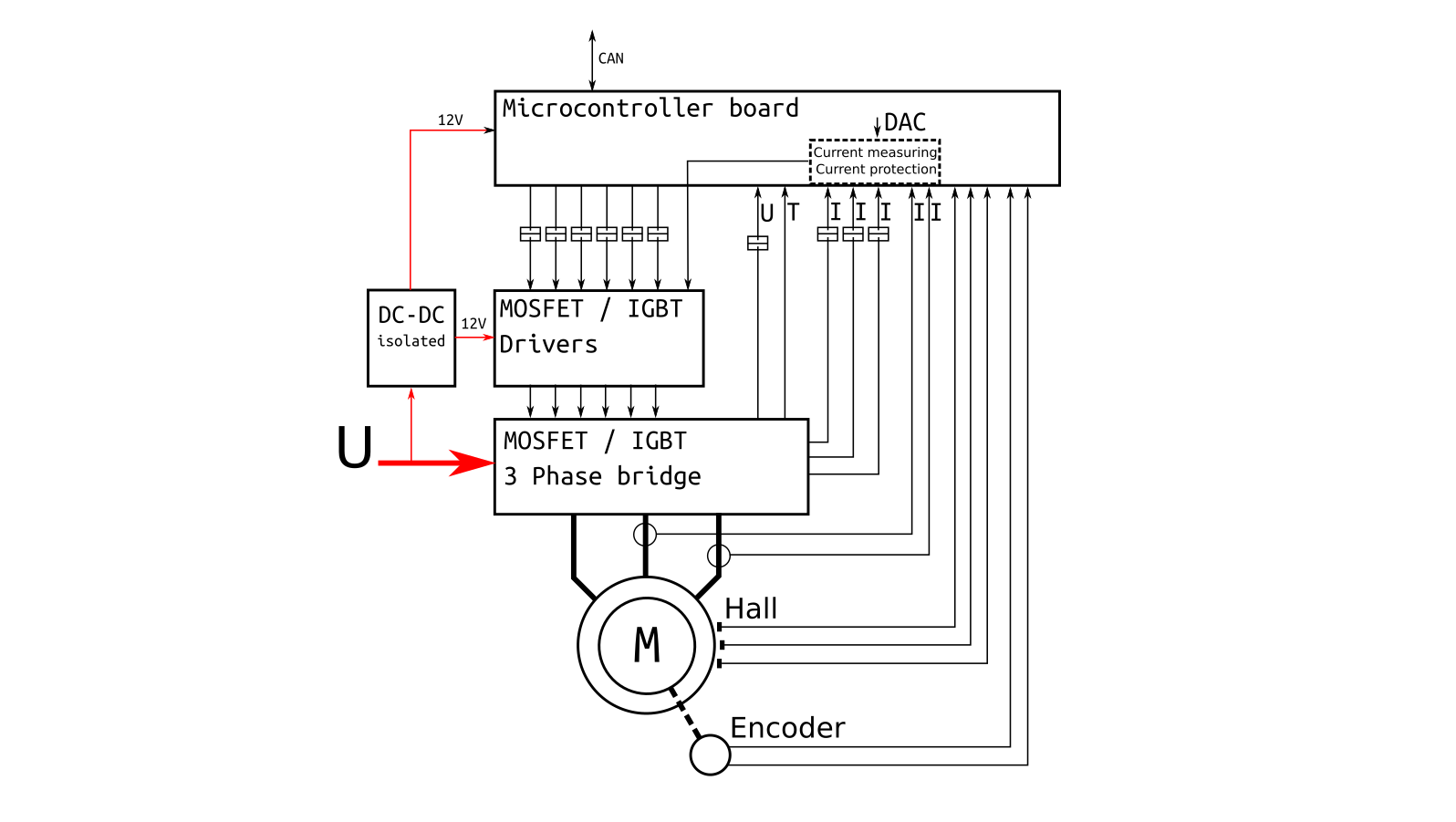
Загальна структура проєкту
Відео: Опис загальної структури проєкту
Модулі розроблені
HCPL-7840 має коефіцієнт 8.
Виготовлено: 1 шт.
Примітка: лінійність у межах
вхідної напруги 0.16В...4В.
Не має захисту DESAT (Desaturation Detection).
Бюджетний модуль для експериментів,
який не шкода спалити 😀.
Не рекомендується використовувати
у готових пристроях. Застаріла версія
Не плутати полярність на вході!
Плата не розроблялась.
Попередньо схема перевірена на NUCLEO-G431RB
Модулі готові або придбані
Фотогалерея
В схему (Модуль MOSFET транзисторного напів-мосту) добавьте супрессор паралельно С1. Пожалейте людям нервы и деньги.
Дякую за слушне зауваження. Супресор, дійсно зайвим не буває. На цих платах передбачається, що супресор прикручується на клеми + - разом з додатковим конденсатором. Якщо зібрати 3 напівмости, то достатньо одного супресора, і не треба на кожній платі.
Якщо це напівмостова схема то тоді яка схема повного мосту?
Степан, повний міст складається з дох напівмостів. Трифазний міст з трьох напівмостів.
Доброго дня. DC-DC Module +15 -8V. 2W Ізольований модуль живлення драйверів IGBT транзисторів +15 -8V. Потужнысть: 2W. зверніть будь ласка увагу, в останньому слові помилка. Дивився схему ігбт драйвера. бачив вихід дсат, але куди його чипляти трохи не зрозуміло. Як би хоч умовно зобразити силову частину та куди його підключати було б дуже добре
Дякую Костянтин, помилку виправив. Стосовно Desat докладно описано в документації до драйвера: https://docs.rs-online.com/d667/0900766b800287e3.pdf як що коротко - Desat використовується для захисту IGBT ключів.
Tags
bme280 bmp280 gps mpu-6050 options stm32 ssd1331 ssd1306 eb-500 3d-printer soldering tim mpu-9250 dma watchdog piezo exti web raspberry-pi docker ngnix solar bluetooth foc html css brushless flask dc-dc capture gpio avr rs-232 mpx4115a atmega mongodb st-link barometer pwm nvic git java-script programmator dht11 hih-4000 pmsm encoder max1674 smd sensors rtc adc lcd motor timer meteo examples i2c usb flash sms rfid python esp8266 servo books bldc remap eeprom bkp battery ethernet uart usart displays led websocket nodemcu wifi
Архіви











































