Силова частина регулятора BLDC двигунів
Проектування силової частини зазвичай починають з вибору ключів. Найбільш підходящі для цього є польові MOSFET транзистори. Вибір силових транзисторів робиться на підставі даних про максимальний можливий струм та напругу живлячої мережі двигуна.
Вибір силових транзисторів
Транзистори повинні витримувати робочій струм з деяким запасом. Тому вибирають польові транзистори с робочим струмом в 1.2-2 рази більшим, аніж максимальний струм двигуна. В характеристиках польових транзисторів може бути вказано декілька значень струму для різних режимів. Інколи вказують струм, котрий може витримувати кристал Id (Silicon Limited) (він більший) та струм, обмежений можливостями корпусу транзистора Id(Package Limited) (він менший). Наприклад:Крім того, фігурує струм для імпульсного режиму (Pulsed Drain Current), котрий, значно більший (в декілька разів) ніж максимально можливий постійний струм.
Треба обирати транзистори за постійним струмом, і не зважати на параметри, зазначені для імпульсного режиму. При виборі транзистора береться до уваги тільки значення постійного струму. У даному випадку - 195А.
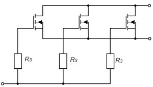
Якщо неможливо підібрати транзистор за потрібним робочим струмом, декілька транзисторів включають паралельно.
При цьому обов’язково слід застосовувати вказані на схемі резистори. Їх номінал - одиниці Ом, але завдяки їм з`єднані паралельно транзистори відкриваються одночасно. Якщо ці резистори не ставити, може виникнути ситуація, коли один з транзисторів відкривається, а решта - ще ні. За цей короткий час вся потужність звалюється на одного і виводить його з ладу. Про визначення номіналу цих резисторів ідеться нижче. Два транзистори, увімкнуті паралельно, витримують вдвічі більший струм. 3 - в 3 рази більший. Але не слід зловживати цим і будувати ключі з великої кількості дрібних транзисторів.
Вибір польових транзисторів по напрузі також виконується з запасом як мінімум в 1.3 рази. Це робиться для того, щоб уникнути виходу з ладу транзисторів через стрибки напруги під час комутацій.
Крім зазначених вище параметрів, слід поцікавитись максимальною температурою роботи транзистора та чи буде він витримувати необхідний струм при цій температурі. Одна з найважливіших характеристик - це опір відкритого транзистора. Його значення можуть сягати декількох міліом. На перший погляд - дуже мало, але при великих струмах на ньому будуть виділятися значні обсяги тепла, яке прийдеться відводити. Потужність, яка буде гріти транзистор у відкритому стані, розраховується за формулою:
P=Rds*Id^2
Де: Rds- опір відкритого транзистора; Ids – струм який протікає через транзистор.
Отже, якщо транзистор irfp4468pbf має опір 2.6 мOм, то під час пропускання струму 195 А на ньому буде виділятися 98.865 Ватт тепла. У випадку мостової трьохфазної схеми у кожний момент часу відкриті тільки два ключі. Тобто, на двох відкритих транзисторах буде виділятися однакова кількість тепла (по 98.865 Вт, загалом - 197.73 Вт). Але вони працюють не весь час, а по черзі - парами, тобто кожна пара ключів працює 1/3 часу. Отже правильно сказати, що загалом на всіх ключах буде виділятися 197.73 Вт тепла, а на кожному з ключів (98.865 / 3 = 32.955 Вт). Слід забезпечити відповідне охолоджування транзисторів.
Але є одне "але" (с) :)
Ми приблизно підрахували ті теплові втрати, які відбуваються за період, коли ключі повністю відкриті. Проте не треба забувати, що для ключів притаманні такі явища, як перехідні процеси. Саме в момент перемикання, коли опір ключа змінюється від практично нульового до майже нескінченності та навпаки, відбувається найбільше тепловиділення, яке значно більше за ті втрати, які відбуваються при відкритих ключах.
Уявімо, що ми маємо загрузку 0.55 Ом. Напруга живлячої мережі 100В. При повністю відкритих ключах отримаємо струм 100/0.55 = 181 А. Транзистор закривається і в деякий момент його опір сягає 1 Ом. У цей час через нього тече струм 100/(1+0,55)=64.5А Пам`ятаєте формулу, за якою обчислюється теплова потужність? Виходить, що в цей, дуже короткий, час теплові втрати на транзисторі (1+0.55)*(64.5^2) = 6448 Вт. Що значно більше ніж при відкритому ключі. Коли опір транзистора зросте до 100 Ом втрати будуть 99.45 Вт. Коли опір транзистора зросте до 1 КОм втрати будуть 9.98 Вт. Коли опір транзистора зросте до 10 КОм втрати будуть 0.99 Вт.
Якщо ви створите дуже потужну систему охолодження, а у транзисторі буде утворюватися більше тепла чим він фізично зможе відвести від себе (дивись: Maximum Power Dissipation), він згорить.
Отже, не важко зрозуміти, чим швидше будуть перемикатися ключі, тим менші теплові втрати, і тим менша буде температура ключів.
На швидкість перемикання ключів впливає: ємність затвору польового транзистора, номінал резистора у ланцюзі затвора, потужність драйвера ключів. Від правильного вибору цих елементів залежить наскільки ефективно будуть працювати ключі.
Інколи люди вважають, що можна збільшити потужність регулятора лише змінивши ключі на більш потужні. Це не зовсім так. Більш потужні транзистори мають більшу ємність затвора, а це збільшує час відкривання транзистора, що впливає на їх температурний режим. Таке рідко трапляється, але в мене був такий випадок, коли заміна транзисторів на більш потужні збільшила їх температуру через те, що час їхнього перемикання зріс. Отже, більш потужні транзистори потребують більш потужних драйверів.
Драйвери
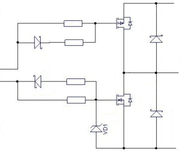
Що таке драйвер ключів та навіщо він потрібен? Навіщо взагалі потрібні драйвери? Можна вмикати польові транзистори як показано на схемі:
Так, в цьому випадку в якості драйверів виступають біполярні транзистори. Це також допустимо. Є також схеми, де в якості верхніх ключів використовуються транзистори з P-каналом, в якості нижніх - з N-каналом. Тобто, використовується два типи транзисторів, що не завжди зручно. До того ж P-канальні транзистори великої потужності майже неможливо знайти. Зазвичай використання таке поєднання транзисторів з різними каналами застосовують у малопотужних контролерах для спрощення схеми.
Використовувати однотипні транзистори, традиційно лише N-канальні, значно зручніше, проте це вимагає дотримання деяких вимог стосовно керування верхніми транзисторами мосту. Напругу на затвор транзисторів треба подавати відносно їх витоків (Source). У випадку нижнього ключа питань не виникає, його виток (Source) приєднаний до землі і ми можемо спокійно подавати напругу на затвор нижнього транзистора відносно землі. У випадку верхнього транзистора все трохи складніше, оскільки напруга на його витоці (Source) змінюється відносно землі.
Поясню. Уявімо, що верхній транзистор відкритий, через нього протікає струм. В такому стані на транзисторі падає досить мала напруга і можна сказати, що напруга на витоку Source верхнього транзистора практично дорівнює напрузі живлення двигуна. Доречі, щоб утримувати верхній транзистор відкритим, треба подати на його затвор напругу, вищу за напругу на його витоці (Source), тобто - вищу за напругу живлення двигуна.
Якщо верхній транзистор закритий, а нижній відкритий, то на витоці (Source) верхнього транзистора напруга сягає практично нуля.
Драйвер верхнього ключа забезпечує подачу на затвор польового транзистора необхідну напругу відносно його витока (Source), та забезпечує генерацію напруги, більшої за напругу живлення двигуна для керування транзистором. Цим, і не тільки цим, займаються драйвери.
Вибір драйвера та їх різноманіття
Різноманіття драйверів досить велике. Нас цікавлять драйвери, які мають два входи для верхнього і нижнього ключів (драйвери верхнього і нижнього ключів). Наприклад: IR2101, IR2010, IR2106, IR21064, IR2181, IR2110, IR2113 и др. Треба звернути увагу на параметр Vgs ваших транзисторів. Більшість драйверів розраховані для Vgs = 20В. Якщо Vgs транзисторів менша за вихідну напругу драйверів, наприклад Vgs транзистора = 5В, то драйвери з вихідною напругою 20В виведуть такі транзистори з ладу.Більшість драйверів живляться напругою 10-20В та толерантні то вхідних сигналів різних рівнів -3.3В, 5В, 15В.
Існують драйвери для трифазних мостових схем, наприклад: IR3230, IRS2334, IRS2334, IR21363, IR21364, IR21365, IR21368, IRS2336, IRS23364D, IRS2336D, IRS26310DJ, IR2130, IR2131, IR2132, IR2133, IR2135, IR2136, IRS2330, IRS2330D, IRS2332, IRS2332D, IR2233, IR2235, IR2238Q, IRS26302DJ. Це може стати найбільш підходящим варіантом. До того ж у деяких з трифазних драйверів є додаткова можливість забезпечити захист ключів від занадто великого струму та ін. Досить цікава серія драйверів IRS233x(D). Вона забезпечує різноманітний захист, у тому числі захист від негативних стрибків напруги, захист від короткого замикання, від перевантаження, захист від зниження напруги в шині, від зниження напруги живлення, захист від перехресного вмикання.
Один з найважливіших показників драйверів – це максимальний вихідний струм. Зазвичай від 200мА до 4000мА. Може здатися що 4А – це занадто. Але все вирішує калькулятор. Як зазначалося вище швидкість перемикання ключів – дуже важлива річ. Чим потужніший драйвер, тим менше часу витрачається на перемикання ключів. Приблизно розрахувати час перемикання ключів можна за формулою:
ton = Qg*(Rh+R+Rg)/U
Де: Qg – повний заряд затвора польового транзистора; Rh – внутрішній опір драйвера. Розраховується як U/Imax, де U – напруга живлення драйвера, Imax максимальній вихідний струм. Зверніть увагу, що максимальній вихідний струм може бути різним для верхнього і нижнього транзистора; R – опір резистора в ланцюгу затвора; Rg – внутрішній опір затвора транзистора; U – напруга живлення драйвера.
Наприклад, якщо ми використовуємо транзистор irfp4468pbf і драйвер IR2101 з максимальним струмом 200мА. А якщо у ланцюзі затвора буде резистор 20 Ом, тоді час перемикання транзистора буде:
540*(12/0.2 + 20 + 0.8)/12 = 3636 нС
Змінивши драйвера на IR2010, з максимальним струмом - 3А, та резистором у ланцюзі затвора - 2Ом, отримаємо такий час перемикання:
540*(12/3+2+0.8)/12 = 306 нС
Тобто, з новим драйвером час перемикання скоротився більше ніж в 10 разів. Отже і теплові втрати на транзисторах значно зменшаться.
Розрахунок резисторів
Нажаль я поки що не знайшов чітких рекомендацій щодо розрахунку номіналів резисторів у ланцюзі затвора силових транзисторів. Їх відсутність або занадто малий номінал може визвати небажані ефекти для драйверів, та, як наслідок, некероване відкриття транзисторів (докладніше почитати можна тут: http://integral.rv.ua/IR17.htm).Я виробив для себе таке правило: опір резистора в ланцюзі затвора польового транзистора має бути не меншим, аніж внутрішній опір драйвера, поділений на 3. Наприклад, драйвер IR2101 живиться напругою 12В, максимальний струм - 0,25А. Його внутрішній опір: 12В/0,25А = 48Ом. Тобто, у даному випадку резистор в ланцюзі затвора польового транзистора має бути більшим, ніж 48/3 = 16 Ом. Якщо час перемикання транзисторів з обраними резисторами не влаштовує, слід обрати більш потужний драйвер.
Я не можу назвати цю методику ідеальною, але вона перевірена практикою. Якщо хтось зможе прояснити цей момент - буду вдячний.
Інколи до ланцюга затвора транзистора додають діода з резистором або без.
Це робиться для того, щоб збільшити швидкість закривання ключа. Для того аби захистити транзистор від надмірної напруги Vgs інколи використовують стабілітрони приєднані до затвору (Gate) та витока (Sources) транзистора. Перед тим як використовувати стабілітрон, з’ясуйте яка в нього ємність. Звичайні стабілітрони можуть мати досить суттєву паразитну ємність, що може значно погіршити ситуацію з часом відкриття транзистора.
Захисні діоди
Оскільки в багатьох випадках силові транзистори працюють з індуктивним навантаженням, маємо використовувати захисні діоди. Якщо їх не буде, то при вимиканні транзистора внаслідок перехідних процесів на індуктивностях (обмотка двигуна) виникне перенапруження, що в багатьох випадках пробиває транзистор і виводить його з ладу. У багатьох силових транзисторах вже є внутрішні захисні діоди і не має необхідності використовувати зовнішні діоди. Але не забудьте це перевірити у документації на транзистора.Dead-Time
Зміна стану силових ключів у регуляторі трифазного безколекторного двигуна виконується у наступній послідовності:- Вимикають ключа, якого треба вимкнути
- Чекаємо деякий час (Dead-Time) доки закриється транзистор (приблизний час перемикання транзистора ми розраховували раніше), та закінчаться перехідні процесі, пов’язані з комутацією.
- Вмикаємо ключа, якого треба увімкнути.
Датчики струму
Традиційно в якості датчика струму використовують шунт. Знаючи його опір, вимірюють на ньому напругу та обчислюють струм. Але для потужних систем використання шунтів не завжди технічно виправдане через занадто великі теплові втрати на ньому. Датчики струму на ефекті Холла мають практично нульовий опір, через що вони не гріються. До того ж, зазвичай, живлення та рівень вихідного сигналу таких датчиків знаходяться у діапазоні 5В, що дуже зручно для реалізації регулятора на мікроконтролерах. На цей час досить популярні датчики струму компанії Allegro MicroSystems, наприклад серії ACS71X, ACS75X.Крім звичайного вимірювання рівня струму мікроконтроллером, розумно створити схему апаратного захисту від перевищення критичного рівня струму. Для вимірювання рівня струму мікроконтролер витрачає деякий час. Крім того, струм вимірюють періодично через деякий час. Такі затримки, а також можливі програмні помилки можуть створити ситуацію, коли критичний струм встигає вивести з ладу ваш пристрій ще до того, як прийде момент наступного вимірювання. Схема повинна відключати силові ключі коли струм перевищує критичний, незалежно від роботи мікроконтроллера. Для реалізації такої схеми зазвичай використовують компаратор, на вхід якого подають сигнал з датчика струму та опорний сигнал. При перевищенні допустимого струму компаратор спрацьовує. Вихід компаратора використовують як дискретний сигнал у логічних схемах, які аварійно відключають ключі. Така реалізація має найменшу затримку.
Деякі драйвери мають додатковий вхід для аварійного відключення ключів що значно спрощує створення безпечної схеми регулятора (ESC) безколесторного двигуна (BLDC).
Успіхів!
P.S. Цією статтею я завершую цикла статтей про трифазні безколекторні двигуни, якого розпочав рік тому. Це не означає, що більше не буде ані слова про безколекторні двигуни. Статті про еклектичні двигуни ще будуть, але це будуть окремі матеріали, конкретні реалізації, тощо. Маю сподівання, що моя робота не була марною.
Статті по безколекторним двигунам:
- Бесколлекторный мотор постоянного тока. Что это такое?
- Устройство бесколлекторного мотора
- Управление бесколлекторным мотором с датчиками Холла (Sensored brushless motors)
- Управление бесколлекторными моторами без бездатчиков (Sensorless BLDC)
- Запуск бесколлекторного мотора без бездатчиков (Sensorless BLDC)
- Определение положения ротора бесколлекторного мотора в остановленном состоянии
- Регулятор бесколлекторного мотора. Структура (ESC)
- Схема регулятора бесколлекторного мотора (Схема ESC)
- Силова частина регулятора BLDC двигунів
- Література по безколекторним двигунам.
- Безколекторні двигуни. Приклади програм для мікроконтролера
- Схема регулятора BLDC на STM32
- STM32. Приклад. Керування безколекторним двигуном (BLDC)
- STM32. Приклад. Керування PMSM. Приклади програм
- Видео о бесколлекторных моторах. BLDC, PMSM, векторное управление (російською)
К сожалению после гуглопереводчика ( :((( ) получилось несколько неоднозначно, но некоторые моменты совсем неясны: > Это работает, но значительно ухудшает ситуацию с временем открытия транзистора, поскольку стабилитрон имеет паразитную емкость, иногда значительно больше, чем емкость затвора транзистора. Емкость распространенного BZX84C15 - 75пф max, Ciss приведенного для примера irfp4468pbf - 19800пф, что намного больше >Во многих силовых транзисторах уже есть внутренние защитные диоды и нет необходимости использовать внешние диоды. Но не забудьте это проверить в документации на транзистора. Паразитный диод есть во всех MOSFET и практически всегда его параметры приведены в документации. >Следует обратить внимание на параметр Vgs ваших транзисторов. Большинство драйверов рассчитаны для Vgs = 20В Непонятно, обычно, сколько подал питания драйверу( больше порогового для включения) - столько и на выход поступает. Увеличение этого напряжения выше 10..12В лишь повышает накопленный заряд затвора и не уменьшает сопротивление канала. ИМХО, стоило бы отметить, что многие современные даже копеечные контроллеры, типа STM8S003, имеют модуль управления трехфазным мостом с управлением задержками и обязательным входом отключения ключей по сигналу аварии. Расчета резисторов затворе я тоже не встречал, но в аппнотах большинства изготовителей микросхем для AC/DC обычно встречаются меньшие значения, около 5..10 Ом и для мощных источников настоятельно рекомендуются стабилитроны.
«Емкость распространенного BZX84C15 - 75пф max, Ciss приведенного для примера irfp4468pbf - 19800пф, что намного больше» Спасибо за замечания. Я уточню эту фразу в статье. Здесь действительно есть неясность. Речь идет об обычных медленных стабилитронах. Емкость некоторых может достигает 400пФ и выше. Транзистор irfp4468pbf, конечно же не совсем уместно упоминать, поскольку имелось в виду транзисторы значительно меньшей мощности с меньшей емкостью затвора. «Паразитный диод есть во всех MOSFET и практически всегда его параметры приведены в документации.» Речь идет не о паразитном, а о специально встроенном диоде между стоком и истоком. Большинство MOSFET имеют его, но не все. А в обычных полевых транзисторах их, как правило, нет. «Непонятно, обычно, сколько подал питания драйверу( больше порогового для включения) - столько и на выход поступает. Увеличение этого напряжения выше 10..12В лишь повышает накопленный заряд затвора и не уменьшает сопротивление канала.» Большинство драйверов имеет питание от 10В. Соответственно, такого же уровня выходной сигнал. Встречаются транзисторы с Vgs = 5В (маломощные). Драйвер с питанием от 10В сожжет такой транзистор. На это и надо обратить внимание при выборе драйвера для своих транзисторов. Ну, или выбрать другие транзисторы. «ИМХО, стоило бы отметить, что многие современные даже копеечные контроллеры, типа STM8S003, имеют модуль управления трехфазным мостом с управлением задержками и обязательным входом отключения ключей по сигналу аварии. Расчета резисторов затворе я тоже не встречал, но в аппнотах большинства изготовителей микросхем для AC/DC обычно встречаются меньшие значения, около 5..10 Ом и для мощных источников настоятельно рекомендуются стабилитроны.» Абсолютно Вас поддерживаю. Сейчас очень много, как специализированных микросхем, так и микроконтроллеров, которые умеют управлять трехфазными мостами. Поэтому, каждый может выбрать реализацию в соответствии со своими возможностями, средствами и требованиями. Касательно стабилитронов я бы уточнил у производителей драйверов. Вполне возможно, что в драйверах уже реализован аналогичный механизм защиты. В любом случае, нужно отдельно разбираться в каждом отдельном случае. Что, собственно, и показало Ваше первое в комментарии замечание.
> Емкость некоторых может достигает 400пФ и выше Такая емкость только у низковольтных стабилитронов, массовые маломощные 15-вольтовые имеют намного меньшую емкость, типа приведенной мною. MOSFET очень чувствителен даже к очень коротким превышениям допустимого Vgs, которое может возникнуть при разряде выходной емкости MOSFET на индуктивность дорожки от затвора к драйверу. И не спасут никакие защиты в самом драйвере. Поэтому и настоятельно рекомендуется стабилитрон почти на ножках транзистора при не удачной разводке или при мощных высоковольтных применениях. >Речь идет не о паразитном, а о специально встроенном диоде между стоком и истоком. Таких транзисторов мало, они недешевы и применяются в высоковольтных мощных источниках, называются Fast Body Diode MOSFET. Все силовые транзисторы (Power MOSFET) имеют паразитный диод, не особо хороший, но достаточный для подавления индуктивного выброса в моторах. Обычные полевые транзисторы (JFET) маломощны и для управления двигателями неприменимы.
Щодо Мосфетів можна додати ще, що у них є така штука як залежність опору стік-витік від температури. Тобто коли польовик гріється при протіканні великого струму, у нього зростає опір, що знову призводить до зростання температури. В даташитах приводяться графіки таких залежностей. Хоча цієї статті це не стосується:-) Оскільки, подібна проблема виникає коли час відкриття вимірюється в секундах а робочий струм має значення порівняні з максимальним.
Здравствуйте ! Скажите пожалуйста, возможно ли использовать мало мощный электронный регулятор, на пример на 50 А 60V для авиамоделей , для управления двигателем гораздо более мощным, с помощью мощных электронных ключей, используя заводской регулятор в качестве комутатора ? Спасибо!
С большой долей вероятности простая замена ключей на более мощные не решит проблемы. Нужно обеспечить нормальное открытие ключей более мощными драйверами. А в случае более высокого напряжения (в Вашем случае более 60 V) для бездатчиковых драйверов (авиамодельные именно такие) обеспечить согласование напряжения обратной связи. Кроме того, авиамодельные регуляторы рассчитываются для двигателей с определенным диапазоном характеристик. И, вероятнее всего, с запуском более мощного двигателя будут вопросы.
Спасибо! Т.е. самый верный способ, это построение регулятора под конкретный эл. двигатель с самого нуля, верно? Вы можете по рекомендовать кого либо, кто за определенное вознаграждение, сможет расчитать и смонтировать регулятор , пиковой мощностью 100 кВт ( 10 сек.)
Плата контроллера OOTDTY 350 Вт 5-36 В. BLDC двигателя Здравствуйте!Интересует Ваше мнение. Есть двигатель: n5045 бесщеточный двигатель 600кв KV: 600 RPM/V Напряжение: 36 V Ток без нагрузки 0,5 Максимальный ток: 45A Макс Мощность: 1600 Липо: 4-12 с Питание импульсный блок питания 24в/75а Нужен контроллер! Нашел в ине-те вот такой:http://grauonline.de/wordpress/?page_id=3122. Ток маловат. Буду очень признателен, если подскажите, правильный выбор, или нет и как это воплотить.
Хорошая статья как пример. Но как быть если стоит задача построить контроллер не на мотор до 500ватт а к примеру на 20квт с токами до 500а. 4амперные драйвера там вряд ли справятся, даже в пиках. При поиске в гугле попадаются лишь раздельные драйвера нижних ключей на токи 10-30а как их в таком случае вписать в схему? Много видел схем где применяют сдвоеные драйвера и почти ни одной где раздельные.
Для построения контроллера с токами до 500А и мощьностью десятки Киловатт логично применять несколько иные подходы, иные драйверы, другие, более подходящие ключи. И формат этой статьи, разумеется, не предполагает освещения этого вопроса. Не совсем понял суть вопроса. Вам нужны драйверы ключей на 10-30А? Но бутстрепная схема в этом случае не подходит. Нужные другие схемы драйверов. Да и у меня сомнения, надо ли такие драйверы? Фразы типа '4амперные драйвера там вряд ли справятся' меня лично начинают бесить. Научитесь, в конце концов, пользоваться КАЛЬКУЛЯТОРОМ. Можно просто посчитать и не использовать 'врядли', 'мне кажется', и мир станет яснее и чётче. Приведу пример: в электроприводе от Chevrolet Volt затворы IGBT модуля управляются двумя PNP, NPN транзисторами. Они расчитаны на напряжение до 60В и ток до 2А. 2А драйверы! IGBT модуль: 300В, 500А. Можно конечно, на каждый ключ набрать по несколько десятков полевиков да еще с затворами у которых емкость бобольше, и потом хором, взавшись за руки героически пытаться решать созданную себе проблему.
Так в шевроле вольт и напряжение не 100в а минимум 350 не? По этому там и токи другие на управление. Ок. Конкретизирую. Контроллер должен управлять ключами irfb4110 коих будет 10шт только в одном плече двумя амперами ими можно управлять но скорости открыть и закрыть нехватит так чтоб они с соседним плечем не встретились. Ток драйверов считается по грубому 1к 20-30а хороший пример веск. На токах больше 200а робочих он сгорает. По тому что драйвера 2.3а в пике с такими емкостями затворов долговременно не справляются. Вот и получаем по самым скромным меркам для робочих 300а ток драйверов должен быть не менее 10а. А если учесть пики а это (600-700а) получается что 10как бы и мало. Сдвоеных драйверов верхнего и нижнего уровней я не видел на ток больше 4а (может вы знаете?) а драйвера способные работать с такми токами есть, но они позиционируются как драйвера нижнего уровня. Я так предпологаю что их можно интегрировать в схемму как драйвера верхнего уровня. Но тут вопрос в интернете ни намёка.
А то что производители драйверов собирают их на рассыпухе, так тут вопрос цены. А цена при колличестве очень отличается от использования готовых драйверов. Вот я и решил поинтересоваться у автора, быть может он сталкивался где то с готовым решением, или имеет представление о том как реализовывают такие схеммы. А создавать себе проблемы это покупать контроллер стоимостью в 1000+ долларов вместо того чтоб понять принцип роботы и собрать самому. Я думаю для этого и нужны форумы и такого рода сайты.
Драйверы в микросхемах встречал максимум на 6 А. Реально работал с 3 А. Драйверы на большие токи, чаще делают уже НЕ на микросхемах, а с использованием транзисторов. Готовые решения (драйверы) встречал только для промышленных стандартных IGBT модулей. Но они далеко не бюджетные - $30 за полумост. Как правило, Драйверы расчитываются для каждого ключа отдельно. Повторюсь, в драйверах-микросхемах обычно используется бутстрепная схема. На те токи, которые Вы хотите, возможно, она не подойдет. При таких токах, как Вы хотите, разумнее смотреть в сторону драйверов с изолированными источниками питания. Готовых решений тоже нет.
Tags
bme280 bmp280 gps mpu-6050 options stm32 ssd1331 ssd1306 eb-500 3d-printer soldering tim mpu-9250 dma watchdog piezo exti web raspberry-pi docker ngnix solar bluetooth foc html css brushless flask dc-dc capture gpio avr rs-232 mpx4115a atmega mongodb st-link barometer pwm nvic git java-script programmator dht11 hih-4000 pmsm encoder max1674 smd sensors rtc adc lcd motor timer meteo examples i2c usb flash sms rfid python esp8266 servo books bldc remap eeprom bkp battery ethernet uart usart displays led websocket nodemcu wifi
Архіви




